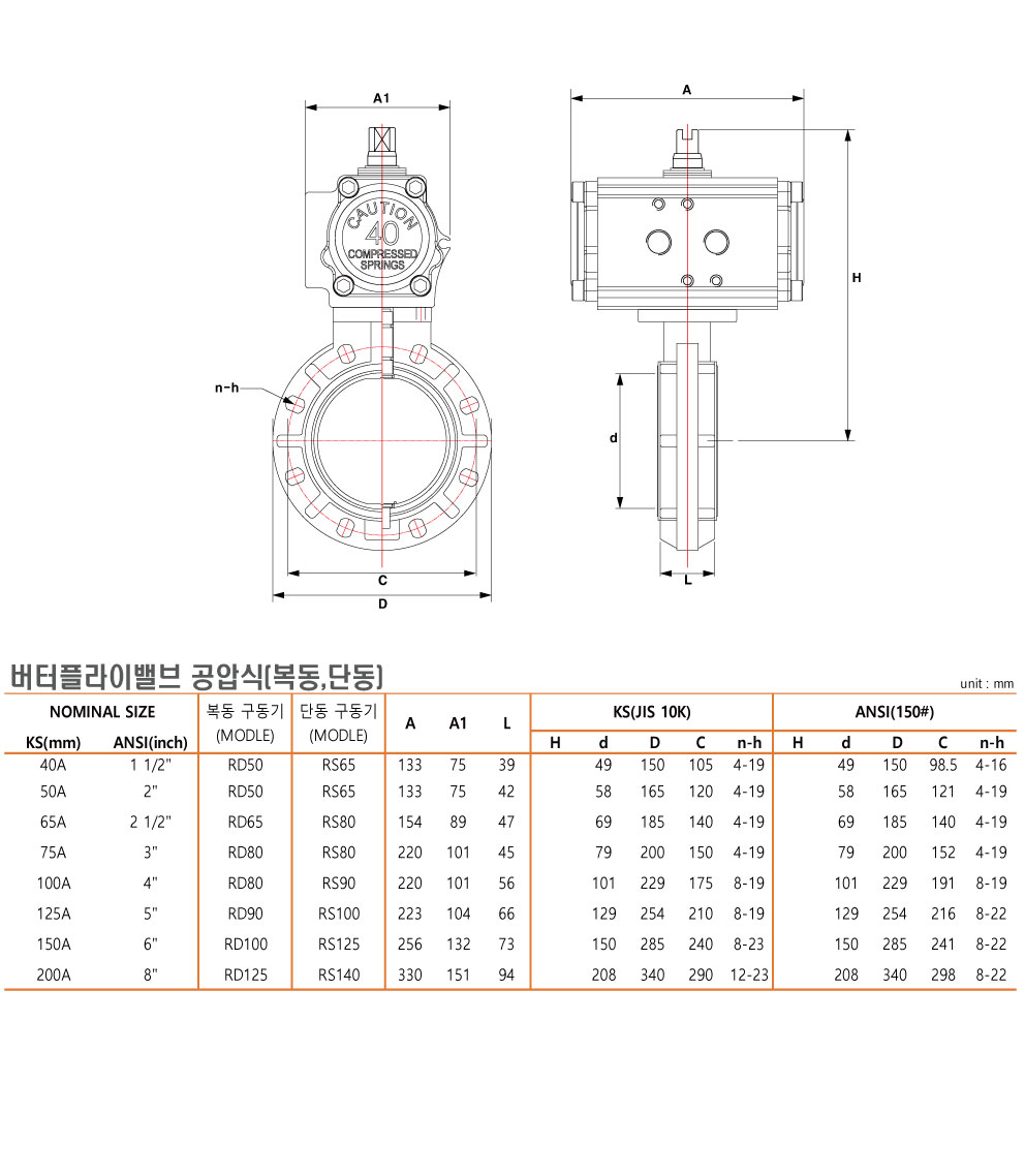
버터플라이 공압밸브 목록 본문 > < ----버터플라이 공압밸브 치수표 버터플라이 공압밸브 e-mail : phone : body : SPEC SPEC| ----버터플라이 공압밸브 치수표 수량 개 RELATED PRODUCT 보내기 취소 목록